○阪南市土砂埋立て等の規制に関する条例施行規則
令和2年1月27日
規則第1号
(趣旨)
第1条 この規則は、阪南市土砂埋立て等の規制に関する条例(令和元年阪南市条例第19号。以下「条例」という。)の施行に関し必要な事項を定めるものとする。
(定義)
第2条 この規則の用語の意義は、条例の定めるところによる。
(許可を要しない者)
第3条 条例第8条第2項第2号の規則で定める者は、次に掲げる者とする。
(1) 土地改良区
(2) 土地改良区連合
(3) 土地区画整理組合
(4) 地方住宅供給公社
(5) 市街地再開発組合
(6) 地方道路公社
(7) 大阪広域水道企業団
(8) 日本下水道事業団
(9) 土地開発公社
(10) 住宅街区整備組合
(11) 独立行政法人通則法(平成11年法律第103号)第2条第1項に規定する独立行政法人
(12) 国立大学法人法(平成15年法律第112号)第2条第1項に規定する国立大学法人
(13) 国立大学法人法第2条第3項に規定する大学共同利用機関法人
(14) 地方独立行政法人法(平成15年法律第118号)第2条第1項に規定する地方独立行政法人
(15) 西日本高速道路株式会社
(16) 前各号に掲げる者のほか、国又は地方公共団体が資本金、基本金その他これらに準ずるものを出資している法人であって、土砂埋立て等について、国又は地方公共団体と同様に災害を防止し、及び生活環境を保全することができる者として市長が公示して定めるもの
(許可を要しない法令等の処分による土砂埋立て等)
第4条 条例第8条第2項第6号の規則で定める土砂埋立て等は、次に掲げる処分による土砂埋立て等とする。
(1) 宅地造成等規制法(昭和36年法律第191号)第8条第1項の許可
(2) 港湾法(昭和25年法律第218号)第37条第1項(第2号を除く。)の許可
(3) 道路法(昭和27年法律第180号)第24条の承認又は同法第91条第1項の許可
(4) 土地区画整理法(昭和29年法律第119号)第4条第1項の認可又は同法第76条第1項の許可
(5) 都市公園法(昭和31年法律第79号)第5条第1項又は第6条第1項(これらの規定を同法第33条第4項において準用する場合を含む。)の許可
(6) 下水道法(昭和33年法律第79号)第16条(同法第25条の18及び第31条において準用する場合を含む。)の承認
(7) 河川法(昭和39年法律第167号)第20条の承認又は同法第24条、第26条第1項若しくは第27条第1項の許可
(8) 都市計画法(昭和43年法律第100号)第29条第1項又は第2項の許可
(9) 都市再開発法(昭和44年法律第38号)第7条の9第1項若しくは第50条の2第1項の認可又は同法第66条第1項の許可
(10) 大都市地域における住宅及び住宅地の供給の促進に関する特別措置法(昭和50年法律第67号)第7条第1項、第26条第1項若しくは第67条第1項の許可又は同法第33条第1項の認可
(11) 鉄道事業法(昭和61年法律第92号)第8条第1項又は第9条第1項の認可
(12) 大阪府土砂埋立て等の規制に関する条例(平成26年大阪府条例第177号)第7条の許可又は同条例第12条第1項の変更許可
(許可を要しない土砂埋立て等)
第5条 条例第8条第2項第8号の規則で定める土砂埋立て等は、次に掲げる土砂埋立て等とする。
(1) コンクリート、ガラスその他の製品を製造し、又は加工するための原材料としての土砂のみを用いて行う土砂埋立て等
(2) 運動場、駐車場その他の施設の機能を維持するために行う土砂埋立て等
(3) 運動場、広場その他の場所において、催しを実施することを目的として行う土砂埋立て等(一時的に行われ、当該催しの終了後遅滞なく原状回復が行われるものに限る。)
(4) 土砂を発生させる者が工事区域外に搬出した土砂を当該工事区域内に埋め戻すことを目的として行う土砂埋立て等
(5) 地方自治法(昭和22年法律第67号)第244条の2第3項に規定する指定管理者が同項の公の施設の管理として行う土砂埋立て等
(6) 建築基準法(昭和25年法律第201号)第2条第1号に規定する建築物の敷地において、建築物を撤去した後に当該建築物の跡地を埋め戻すことを目的として行う土砂埋立て等
(7) 建築基準法第6条第1項の確認を受けて行う建築の用に供する敷地の造成を目的として行う土砂埋立て等であって、建築面積(建築基準法施行令(昭和25年政令第338号)第2条第1項第2号に規定する建築面積をいう。)を当該土地に適用される建蔽率(建築基準法第53条第1項に規定する建蔽率をいう。)で除した面積を超えないもの
(8) 道路において、地下埋設管の新築、改築又は増築を目的として行う土砂埋立て等
(9) 土壌汚染対策法(平成14年法律第53号)第6条第1項若しくは第11条第1項又は大阪府生活環境の保全等に関する条例(平成6年大阪府条例第6号)第81条の8第1項若しくは第81条の12第1項の規定により指定された土地の区域内で行う汚染の除去、汚染の拡散の防止その他の措置として行う土砂埋立て等
(10) 都市計画法施行令(昭和44年政令第158号)第21条各号に掲げる建築物の建築の用に供する目的で行う開発行為として行う土砂埋立て等
2 前項の土砂埋立て等事前協議書には、次に掲げる図書を添付しなければならない。ただし、市長が特に必要がないと認める図書については、この限りでない。
(1) 説明会開催計画書(様式第2号)
(2) 埋立て等区域及び土砂埋立て等に供する施設が設置される区域(以下「埋立て等関係区域」という。)に係る次に掲げる図書
ア 位置図
イ 現況平面図及び現況断面図
ウ 測量図及び求積図
エ 計画平面図、計画断面図及び排水計画図
オ 流域図
(3) 埋立て等関係区域の土地及びこれに隣接する土地の登記事項証明書及び公図の写し
(4) 埋立て等関係区域内に有し、又は埋立て等関係区域に隣接する道路その他の公共施設に係る土地との境界確定図の写し
(5) 土砂埋立て等に使用される土砂の量の計算書
(6) 土砂埋立て等に使用される土砂の搬入に関する計画
(7) 土砂の搬出入経路図
(8) 土砂埋立て等に係る工事の順序を明らかにした書面
(9) 土砂埋立て等が施工されている間における埋立て等区域外への土砂の崩落、飛散又は流出による災害を防止するために講ずる措置を明らかにした書面
(10) 埋立て等関係区域の現況の写真
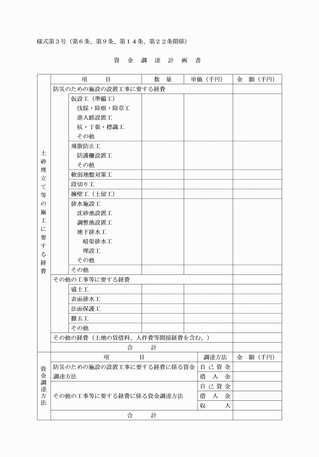
(11) 土砂埋立て等の施工に要する経費に係る資金調達計画書(様式第3号)
(12) その他市長が必要があると認める図書
2 条例第11条第1項の規定による説明会の開催に当たっては、あらかじめ、開催の日時及び場所を周辺地域の住民等の見やすい場所において行う掲示その他の適切な方法により周知しなければならない。
3 条例第11条第1項ただし書(条例第14条第4項において準用する場合を含む。以下この条において同じ。)の申請予定者の責めに帰することのできない事由は、申請予定者以外の他の者により説明会の公正、円滑な実施が著しく阻害され、説明会の目的を達成することができないことが明らかであることとする。
4 条例第11条第1項ただし書の規定による周知は、条例第12条第1項の申請書(同条第2項の規定に該当する場合にあっては同項の申請書、変更許可の申請にあっては条例第14条第2項の申請書)の内容を要約した書類の提供及び周辺地域の住民等の見やすい場所において行う掲示によって行わなければならない。
(2) 条例第11条第1項ただし書の規定による周知を行った場合 周知結果報告書(様式第6号)
6 前項第1号の報告書には、当該説明会に係る議事録を添付しなければならない。
2 条例第12条第1項第10号及び第2項第4号の規則で定める事項は、次に掲げる事項とする。
(1) 条例第12条第1項の埋立て等許可を受けようとする者(以下「申請者」という。)が法人である場合にあっては、その役員(条例第13条第1項第1号イに規定する役員をいう。以下同じ。)の氏名及び住所
(2) 申請者が未成年者(条例第13条第1項第1号オに規定する未成年者をいう。以下同じ。)である場合にあっては、その法定代理人の氏名及び住所(法定代理人が法人である場合にあっては、その名称、代表者の氏名、主たる事務所の所在地並びに役員の氏名及び住所)
(2) 申請者の住民票の写し(申請者が法人である場合にあっては、登記事項証明書及び役員の住民票の写し)及び印鑑登録証明書
(3) 申請者が未成年者である場合にあっては、その法定代理人の住民票の写し(法定代理人が法人である場合にあっては、登記事項証明書及び役員の住民票の写し)及び印鑑登録証明書
(4) 申請者に使用人がある場合にあっては、その者の住民票の写し
(5) 申請者が条例第13条第1項第1号アからキまでのいずれにも該当しないことの誓約書(様式第8号)
(6) 土質試験その他の調査又は試験に基づき土砂埋立て等の構造の安定性の計算を行った場合にあっては、当該計算の内容を記載した書面
(7) 擁壁の断面図及び背面図並びに擁壁の概要、構造計画、応力算定及び断面算定を記載した構造計算書
(8) 排水施設の構造図並びに流量及び断面決定を記載した書面
(9) 沈砂池の構造図及び容量を算定した書面
(10) 調整池を設置する場合にあっては、調整池の構造図並びに容量及び放流量を算定した書面
(11) 最近1事業年度の法人税及び法人事業税(個人にあっては、前年の所得税及び個人事業税)の滞納がないことを証する書面
(12) 法人にあっては最近1事業年度の確定申告書の写し及び財務諸表(貸借対照表及び損益計算書又はこれらに類する書類をいう。)、個人にあっては前年分の確定申告書の写し
(13) 資金を自己資金で調達する場合にあっては金融機関の預金若しくは貯金の残高を証明する書面又はこれに類する書類、借入金で調達する場合にあっては金融機関の融資を証明する書面
(14) その他市長が必要と認める図書
(使用人)
第10条 条例第13条第1項第1号カ及びキ(これらの規定を条例第14条第4項及び第23条第4項において準用する場合を含む。)の規則で定める使用人は、申請者の使用人であって、次に掲げるものの代表者であるものとする。
(1) 本店又は支店(商人以外の者にあっては、主たる事務所又は従たる事務所)
(2) 前号に掲げるもののほか、継続的に業務を行うことができる施設を有する場所で、土砂埋立て等に係る契約を締結する権限を有する者を置くもの
(形状及び構造上の基準)
第11条 条例第13条第1項第5号(条例第14条第4項において準用する場合を含む。)の規則で定める形状及び構造上の基準は、埋立て等許可に係る土砂埋立て等が当該土砂埋立て等に係る埋立て等区域外への搬出を目的として行われるもの(以下「一時堆積」という)以外である場合にあっては別表第1、一時堆積である場合にあっては別表第2に掲げるとおりとする。
(1) 地すべり等防止法(昭和33年法律第30号)第18条第1項の許可を要する行為
(2) 急傾斜地の崩壊による災害の防止に関する法律(昭和44年法律第57号)第7条第1項の許可を要する行為
(3) 大阪府砂防指定地管理条例(平成15年大阪府条例第7号)第4条第1項の許可を要する行為
(変更許可の申請等)
第14条 条例第14条第1項の規則で定める軽微な変更は、次に掲げるものとする。
(1) 許可事業者の氏名又は住所(法人にあっては、その名称、代表者の氏名又は主たる事務所の所在地)の変更
(2) 許可事業者の法定代理人の氏名又は住所(法定代理人が法人である場合にあっては、その名称、代表者の氏名又は主たる事務所の所在地)の変更
(3) 土砂埋立て等に使用される土砂の量の変更(当該量を減少させるものに限る。)
(4) 土砂埋立て等の期間の変更(当該期間を短縮させるものに限る。)
(5) 土砂埋立て等に使用される土砂の搬入に関する計画の変更
(6) 土砂の崩落、飛散又は流出による災害の発生を防止するために必要な措置として設置した排水施設その他の施設の構造の変更(当該施設の機能を低下させるものを除く。)
(7) 許可事業者の役員又は使用人の変更
3 条例第14条第2項第3号の規則で定める事項は、第9条第2項各号に掲げる事項とする。
2 条例第17条第1項の規定による土砂の汚染(土壌汚染対策法施行規則(平成14年環境省令第29号)別表第4又は別表第5の上欄に掲げる特定有害物質の種類の区分に応じ、それぞれこれらの表の下欄に定める要件に適合しないことをいう。以下この条において同じ。)のおそれがないことの確認は、当該土砂の発生場所ごとに、土壌汚染対策法第3条第1項又は大阪府生活環境の保全等に関する条例第81条の4第1項若しくは第81条の5第1項の規定による調査の結果を記載した書面その他の同法又は同条例の規定による手続に係る書面であって市長が別に定めるものにより行わなければならない。
(1) 次号に掲げる場合以外の場合 次に掲げる図書
ア 第1項の土砂発生元証明書
2 条例第18条の規則で定める事項は、次に掲げる事項とする。
(1) 土砂を発生させる者の氏名及び住所(法人にあっては、その名称、代表者の氏名及び主たる事務所の所在地)
(2) 土砂の発生場所ごとの1日当たりの土砂の搬入量及び搬入のための車両台数
(3) 一時堆積にあっては、1日当たりの土砂の搬出量及び搬出のための車両台数
(標識の寸法及び記載事項)
第19条 条例第20条第1項に規定する標識の大きさは、縦90センチメートル以上、横120センチメートル以上でなければならない。
2 条例第20条第1項の規則で定める事項は、次に掲げる事項とする。
(1) 埋立て等許可の年月日及び番号並びに許可をした者
(2) 土砂埋立て等を行う者の氏名及び住所(法人にあっては、その名称、代表者の氏名及び主たる事務所の所在地)並びに連絡先の電話番号
(3) 土砂埋立て等の目的
(4) 埋立て等区域の位置
(5) 埋立て等区域の面積
(6) 埋立て等区域を明示した付近見取図
(7) 土砂埋立て等に使用する土砂の予定量(一時堆積である場合にあっては、年間の土砂の搬入の予定量及び搬出の予定量)
(8) 当該土砂埋立て等が一時堆積以外である場合にあっては、土砂埋立て等の施工期間
2 条例第21条の規則で定める図書は、次に掲げる図書とする。
(2) 条例第14条第2項の申請書の添付図書の写し
(3) 第14条第5項の土砂埋立て等変更届の写し
(4) 第15条の土砂埋立て等着手届の写し
(5) 第16条第5項の土砂搬入報告書及びその添付図書の写し
(7) 第22条第1項の土砂埋立て等地位承継承認申請書及びその添付図書の写し
3 条例第21条の申請書の写し及び前項各号に掲げる図書に含まれている情報のうち、阪南市情報公開条例(平成12年阪南市条例第26号)第6条第2号に該当する情報については、条例第21条の規定による閲覧の対象から除くものとする。
(1) 埋立て等許可の年月日及び番号
(2) 埋立て等区域の位置
(3) 土砂埋立て等の期間
(4) 土砂埋立て等を完了した年月日
(5) 完了した埋立て等区域における土地及び土砂の堆積の形状
(6) 埋立て等区域外への土砂の崩落、飛散又は流出による災害の発生を防止するために必要な措置を講じている場合にあっては、その内容
(2) 土砂埋立て等を廃止した年月日又は休止しようとする期間
(3) 土砂埋立て等を廃止し、又は休止した場合の埋立て等区域における土地及び土砂の堆積の形状
(4) 土砂埋立て等を廃止し、又は休止した場合の埋立て等区域外への土砂の崩落、飛散又は流出による災害の発生を防止するために必要な措置を講じている場合にあっては、その内容
(2) 条例第22条第4項の規定に該当することとなった内容及びその年月日
(3) 条例第22条第4項の規定に該当することとなるまでに施工した埋立て等区域における土地及び土砂の堆積の形状
2 条例第23条第2項第4号の規則で定める事項は、次に掲げる事項とする。
(1) 承継しようとする地位に係る埋立て等許可の年月日及び番号
(2) 条例第23条第2項の承認を受けようとする者(以下「承認申請者」という。)が法人である場合にあっては、その役員の氏名及び住所
(3) 承認申請者が未成年者であり、かつ、その法定代理人が法人である場合にあっては、その役員の氏名及び住所
(4) 承認申請者に使用人がある場合にあっては、その者の氏名及び住所
(5) 承継の理由
3 条例第23条第3項の規則で定める図書は、次に掲げる図書とする。
(1) 第6条第2項第11号の資金調達計画書
(3) 許可事業者の相続人その他の一般承継人であること又は許可事業者から当該土砂埋立て等を行う権原を取得したことを証する書面
(土地の所有者による施工状況の確認)
第23条 条例第27条第1項の規定による施工の状況の確認は、次に掲げる事項について、当該施工に係る埋立て等区域において、毎月1回以上、行わなければならない。
(1) 当該施工の状況が条例第10条各項の規定による説明を受けた内容に相違していないこと。
(2) 当該埋立て等区域において土砂等の崩落、飛散若しくは流出による災害の発生又はそのおそれがないこと。
(書類の提出部数)
第25条 条例の規定により市長に提出する書類の部数は、正本1部及び副本1部とする。ただし、市長が別に定める場合にあっては、この限りでない。
(補則)
第26条 この規則の施行に関し必要な事項は、市長が別に定める。
附則
(施行期日)
1 この規則は、令和2年4月1日から施行する。
(経過措置に係る法令等の処分)
2 条例附則第3項の規則で定める処分は、次に掲げる処分とする。
(1) 土地改良法(昭和24年法律第195号)第95条第1項の認可
(2) 森林法(昭和26年法律第249号)第10条の2第1項又は第34条第2項(同法第44条において準用する場合を含む。)の許可
(3) 農地法(昭和27年法律第229号)第4条第1項又は第5条第1項の許可
(4) 地すべり等防止法第18条第1項の許可
(5) 宅地造成等規制法第8条第1項の許可
(6) 河川法第55条第1項の許可
(7) 急傾斜地の崩壊による災害の防止に関する法律第7条第1項の許可
(8) 農業振興地域の整備に関する法律(昭和44年法律第58号)第15条の2第1項の許可
(9) 生産緑地法(昭和49年法律第68号)第8条第1項の許可
(10) 大阪府砂防指定地管理条例第4条第1項の許可
別表第1(第11条関係)
1 | 埋立て等関係区域の地盤について、滑りやすい土質の層又は軟弱な地盤がある場合には、地盤に滑り、沈下又は隆起が生じないように、杭打ち、土の置換え、水抜きその他の措置が講じられること。 |
2 | 著しく傾斜している土地において土砂埋立て等を行う場合においては、土砂埋立て等を行う前の地盤と土砂埋立て等に使用された土砂とが接する面が滑り面とならないように段切り等の措置が講じられること。 |
3 | 土砂埋立て等によって生じる法面(擁壁で覆う部分を除く。以下同じ。)の勾配は、垂直1メートルに対する水平距離が1.8メートル以上であること。 |
4 | 土砂埋立て等の完了後の地盤に緩み、沈下又は崩壊が生じないように締固めその他の措置が講じられること。 |
5 | 埋立て等区域の地盤の高さが周辺より低い土地、斜面の下方に位置する土地及び谷又は沢状の土地など地表水が集中しやすい地形の土地において土砂埋立て等を行う場合は、湧水又は浸透水を有効かつ速やかに排除できるよう、地下排水工等の排水施設の設置その他の必要な措置が講じられること。 |
6 | 擁壁を用いる場合の当該擁壁の構造は、次に掲げる規定に適合すること。 (1) 盛土の場合には、法尻に擁壁等が設置されること。 (2) 擁壁は、鉄筋コンクリート造、無筋コンクリート造又は練積み造等の堅固なものであること。 (3) 渓流内の盛土の場合において、全土量を対象とした土砂流出防止のためのコンクリートえん堤等が設置されること。 (4) 練積み造の擁壁の構造は、土質に応じて決定されたものであること。 (5) 鉄筋コンクリート造又は無筋コンクリート造の擁壁の構造は、構造計算によって次に掲げる規定が満たされることが確かめられていること。 ア 土圧、水圧及び自重(以下「土圧等」という。)によって擁壁が破損されないこと。 イ 土圧等によって擁壁が転倒しないこと。 ウ 土圧等によって擁壁が滑動しないこと。 エ 土圧等によって擁壁が沈下しないこと。 |
7 | 土砂埋立て等によって生じる法面の高さが5メートル以上である場合にあっては、当該法面の高さが5メートルごとに幅1.5メートル以上の小段が設置されること。 |
8 | 雨水その他地表水を排除することができるように、必要な排水施設(土砂埋立て等が施工されている間における排水施設を含む。)が設置されること。 |
9 | 8の項の排水施設は、その管渠の勾配及び断面積が、その排除すべき雨水その他の地表水を支障なく流下させることができるものであること。 |
10 | 埋立て等区域外に土砂が流出しないように、沈砂池(土砂埋立て等が施工されている間における沈砂池を含む。)その他の土砂の流出を防止するために必要な施設が設置されること。 |
11 | 下水道、排水路、河川その他の放流先の排水能力に応じて必要がある場合は、一時雨水を貯留する調整池(土砂埋立て等が施工されている間における調整池を含む。)その他の施設が設置されること。 |
12 | 土砂埋立て等によって生じる法面は、石張り、芝張り、モルタルの吹付け等により、風化その他の侵食に対して保護されること。 |
13 | 埋立て等区域(土砂埋立て等によって生じる法面を除く。)は、利用目的が明確である部分を除き、芝張り、植林その他の土砂等の飛散防止のための措置(土砂埋立て等が施工されている間における土砂等の飛散防止のための措置を含む。)が講じられること。 |
14 | 土砂埋立て等に係る工事の順序が、埋立て等区域外への土砂の崩落、飛散、流出その他の災害が発生しないよう、沈砂池、調整池、擁壁等の防災工事が土砂埋立て等に先行して実施されるものとなっていること。 |
別表第2(第11条関係)
1 | 別表第1の1の項、8の項及び9の項の規定に適合すること。 |
2 | 埋立て等区域の土地の勾配は、垂直1メートルに対する水平距離が10メートル以上であること。ただし、埋立て等区域外への土砂の崩落、飛散、流出その他の災害が発生するおそれがないものとして市長が認める場合は、この限りでない。 |
3 | 土砂の堆積の高さ(土砂の堆積によって生じる法面の最も低い部分と最も高い部分の垂直距離をいう。)が5メートル以下であること。 |
4 | 土砂の堆積によって生じる法面の勾配は、垂直1メートルに対する水平距離が2メートル以上であること。 |
5 | 埋立て等区域の周辺に、土砂の堆積の高さに相当する幅の緩衝地帯及びその緩衝地帯を表示する境界標が設置されること。 |





























